EPP0104

SPINE VERTICALI PER CIRCUITI STAMPATI
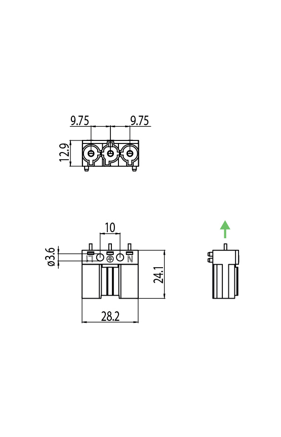
  • — Corpo in poliammide nera
  • — Contatti in ottone argentato
  • — Marchiatura: L1 - T - N
Altre informazioni
Attacco
2P+E
Tensione
20A-250V
Potenza
T100
Render
Disegno tecnico
render/componenti_illuminazione/epp0104_p.jpg
2d/componenti_illuminazione/epp0104_d.jpg
100%
Seleziona i file che vuoi scaricare
Sources
Tech files
Accessori
Invia tramite email
Accedi al tuo account

Recupera password

Non sei ancora registrato? Crea un account

Accedi al tuo account per scaricare i 3D dei nostri prodotti

Non sei ancora registrato? Crea un account

Abilita la funzione download 3d

Per scaricare i 3d accetta l'accordo di segretezza dalla tua area riservata.

Vai al profilo